

产品详情產品功能:
1.高效率、高精准、高剛性、中空結構高重複定位精度±5sec,任一工位、任一角度,任 一速度。
2.可做任意角度旋轉
3.高精密
4.電動旋轉平臺
5.馬達任意配
產品應用:
激光打標、第四軸旋轉軸應用、工作站分割、任意角度旋轉
|
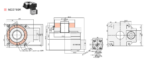
MD |
中空旋轉平台 |
|
275 |
規格 |
|
R |
選配
R:直角轉向減速機 |
|
10 |
減速比 |
|
V2 |
馬達類型 V1:伺服ø19 PCD90,M5 |









相关产品