

产品详情產品功能:
適用於面板貼合對位,穩定性高,體積小。
產品應用:
精密產業設備、半導體設備、Wafe對位設備、PCB曝光設備、面板貼合機、晶粒印刷版設備


|
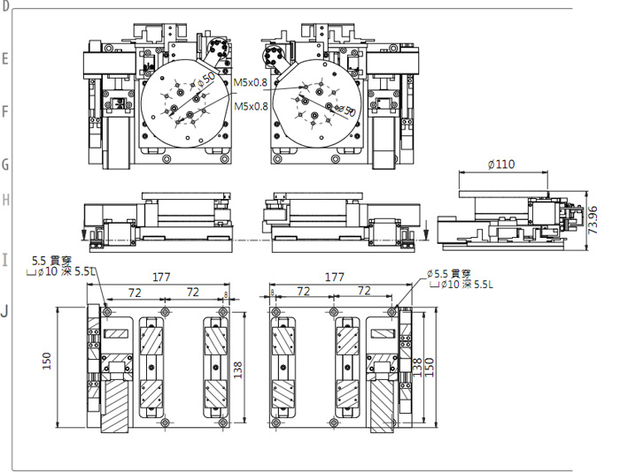
行程st(mm) |
Y:20mm |
精度等級 |
5μm |
|
動作角度 |
±5度 |
檯面大小(mm) |
Φ110 |
|
驅動方式 |
步進馬達28框 |
極限開關 |
光電感測器:Home,+Limit,+Limit |
|
載重(水平安裝) |
建設最大15公斤 |
表面處理 |
黑色(BK)、本色(I)防蝕鋁處理 |
上一篇:已经是第一篇了
下一篇:AF0605-M-20ST-X
相关产品